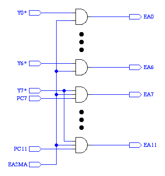
Effective Address Generator Schematic