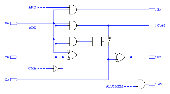
ALU Cell Schematic
The ALU cell performs AND, addition and complementing operations on one
bit of the data path. The result of AND is gated onto the Z bus. The
result of the other operations is passed to the shifting network, and
can also be gatedto the memory write data bus.
